全国空降服务网入口_全国900 城市空降24小时_全国600城市空降高端私人配对 _全国高端空降联系方式

 
网站首页 公司介绍 新闻资讯 产品展示 企业文化 人才招聘 留言反馈 联系我们
栏目导航
一般离心通风机
锅炉通、引风机
排尘离心通风机
煤粉离心通风机
一般轴流通风机
屋顶通风机
纺织专用风机
特殊型式风机
消防高温排烟风机
风机箱
罗茨风机
电话:0513-85569203
传真:0513-85564795
地址:南通市港闸路高墩圩桥北首
邮编:226600
产品展示 您目前所在的位置为:首页 - 产品展示
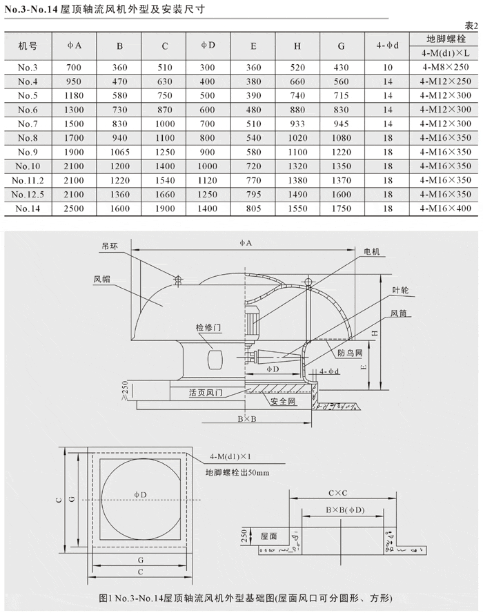
JZWT型玻璃钢屋顶轴流风机
其他信息


版权所有:南通吉安特风机制造有限公司(原:南通市吉特机械风机制造有限公司 ) 地址:南通市港闸路高墩圩桥北首
总经理:周志林(13809089640、13814703000) 销售热线: 0513-85569203 0513-85567998 传真:0513-85564795 
E-MAIL:zzl@jatfj.cn 13814703000@163.com 13809089640@163.com

主站蜘蛛池模板: 嘉峪关市| 文成县| 本溪| 商都县| 通海县| 博爱县| 澎湖县| 吉首市| 富蕴县| 蕉岭县| 司法| 库伦旗| 鸡泽县| 鄂尔多斯市| 南开区| 鹿泉市| 图木舒克市| 绥德县| 喀什市| 隆德县| 新津县| 吉木萨尔县| 巴林左旗| 武威市| 全南县| 中超| 岚皋县| 清河县| 临泉县| 怀柔区| 东丽区| 青川县| 清新县| 广德县| 辛集市| 长寿区| 姚安县| 平江县| 宜城市| 盐亭县| 莲花县|